Norse Design
Services
NORSE DESIGN, with over 20 years of experience, offers a complete design package and engineering service to shipyards, design offices, and shipowners, primarily in the Norwegian market and other European countries.
Initial Design
- Conceptual Design Package
- General Arrangement Plan
- Tendering Documents
- Lightweight and CG Estimation
- Speed-Resistance Analysis and Hull Form Optimization
Basic Design Drawings
- Stability and Hydrostatic Calculations
- Hull Construction Drawings and Hull Strength Calculations
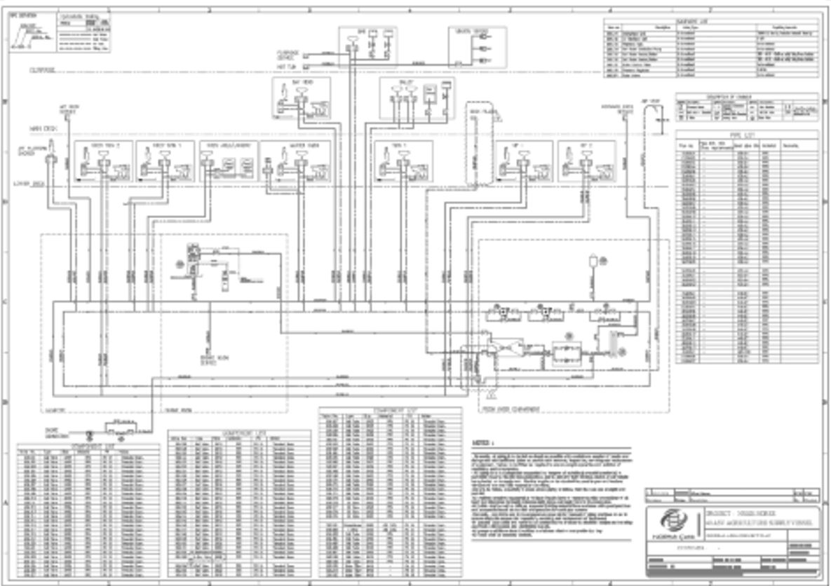
- Pipe System Schematic and P & ID Drawings
- Technical Arrangement Drawings
- Outfitting Drawings
Hull Detail Design
- 3d Modelling Of Hull Structure
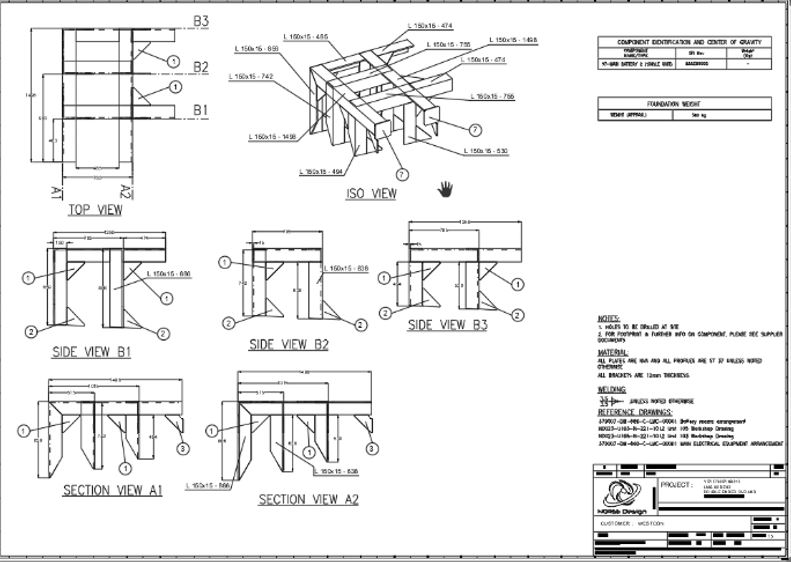
- Unit Workshop Drawing
- Unit Assembly Drawing
- Nesting Arrangement, Cutting Codes
- Profile Sketches
- Part List
- Material List
- Bending Templates
Outfitting Detail Design
- 3d Modelling Of Piping, Hvac, Cable Ways, Equipment&Foundation
- Pipe Iso And Pipe Assembly Drawings
- Equipment Foundation Workshop Drawings
- Coordination Plans
- Deck\Bulkhead\Tank Penetration Workshop Drawings
- Material List
- Spool List
- Weight Control
Finite Element Analysis
- Structural Scantling Calculations Using By Finite Element Analysis
- Analysis Report